Heka Gunillantie 3 on Helsingin kaupungin asuntotuotannon kohde Laajasalossa, joka sijaitsee meren ja puistojen lähellä. Kokonaisuus koostuu kolmesta hissillisestä talosta, joissa on yhteensä 81 asuntoa yksiöistä perheasuntoihin. Kohteen pääsuunnittelijana on toiminut arkkitehti Kirsti Sivén arkkitehtitoimisto Kirsti Sivén & Asko Takala Arkkitehdit Oy:stä.
Asuntoarkkitehtuurista ja tilasuunnittelusta
Hekan Laajasalon Gunillantie 3:n asemakaava räätälöitiin täydennysrakentamista varten. Kohde sijaitsee entisellä lämpökeskuksen tontilla, jossa toimi aiemmin kaupungin kiinteistöyhtiön huolto- ja varikkopiste.
Purettavien rakennusten paikalle rakennettiin asemakaavan mukaisesti kolme asuintaloa, pihakannen alainen autohalli sekä Heka:n varikkotilat, pääosin kannen alle. Kaavan mukaisesti rakennusten pohjamuoto on yksinkertainen ja rakennukset ovat tasakattoisia. Kohteen hintataso määräytyi ara-rahoituksen ehdoilla. Kustannushaasteita lisäsi haasteellinen maasto.
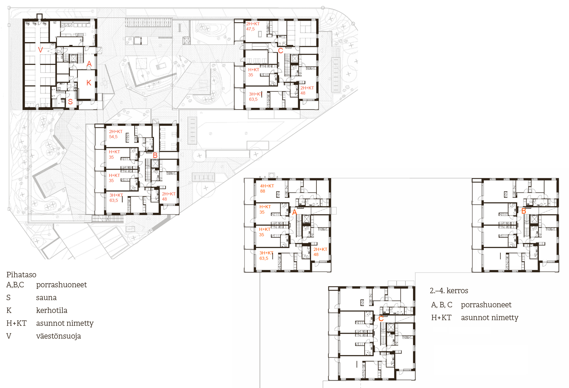
Taloissa on runsaasti asukkaiden yhteisiä tiloja: kaksi saunaa, maksuton pesula kuivaushuoneineen, kerhotila ja erilaisia varastoja. Toinen saunaosastoista sijaitsee pihatasossa ja toinen yhden talon ylimmässä kerroksessa.
Asukasautopaikkoja on 44. Piha-alueella ja pohjakerrosten varastotiloissa on yhteensä noin 200 polkupyöräpaikkaa.
Pistetalojen neliömäinen pohjamuoto ja lomittain sijoittelu tontille olivat antoisa lähtökohta hyville asuntopohjille.
Talot ja asunnot on suunniteltu esteettömiksi ja niihin on esteetön kulku. Kohteessa on kolme hissillistä, 5–7-kerroksista taloa.
Asuntoja on yhteensä 81 yksiöistä liki sataneliöisiin perheasuntoihin. Asuntojen keskipinta-ala on 54,4 m2. Asuntokoot vaihtelevat välillä 35–99,5 m2.
Kaikki asunnot ovat saunattomia ja jokaisessa on lasitettu parveke. Asuntoihin kuuluu myös lämmin irtaimistovarasto.
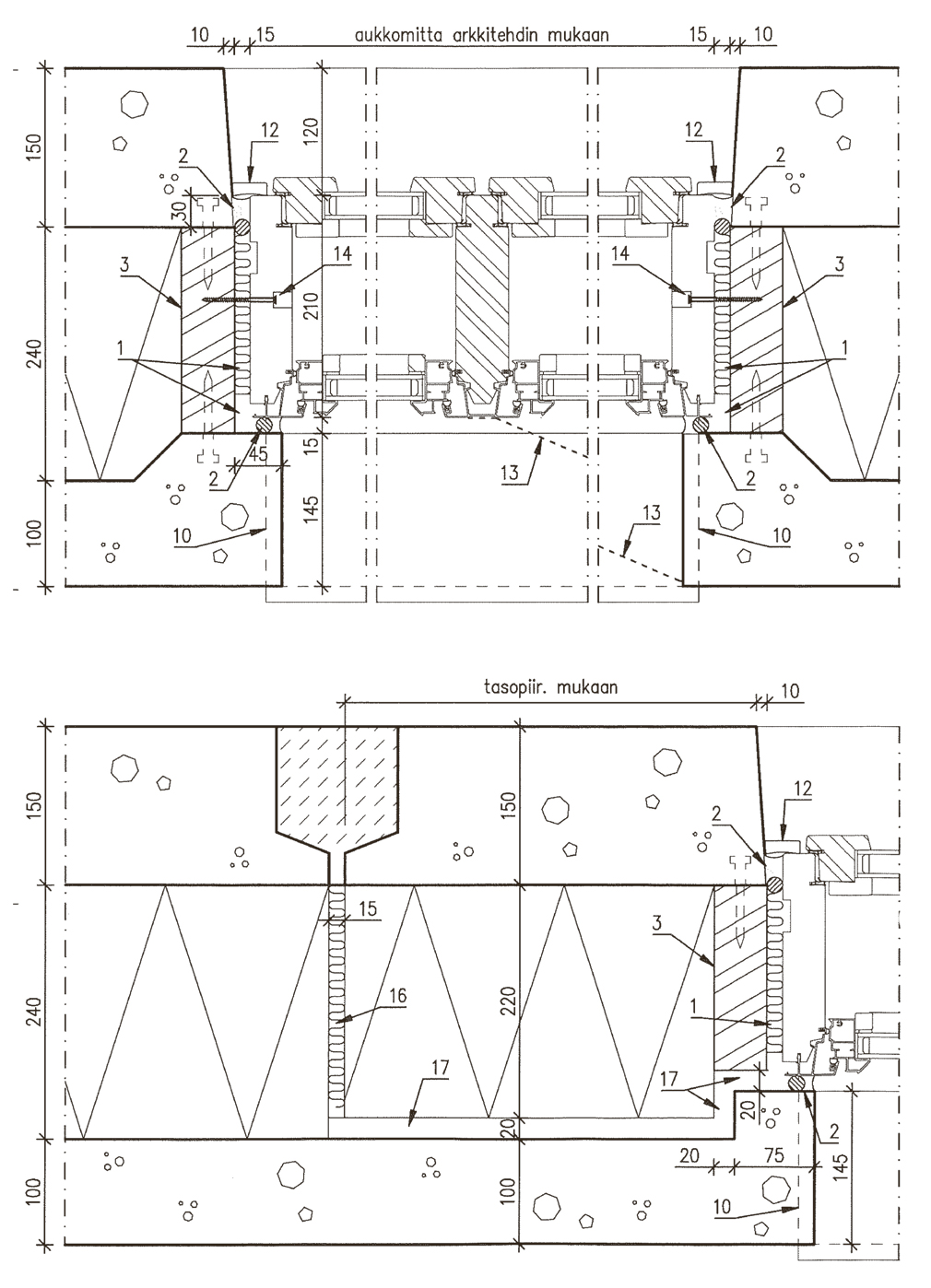
Asuntojen materiaalit ovat yhteneväiset: lattiat ovat vinyylilankkua ja kylpyhuoneiden lattiat on laatoitettu keraamisella laatalla. Asuntojen keittiöissä on tilavaraukset ja liitännät astianpesukoneelle ja
mikroaaltouunille.
Gunillantie 3 on savuton kohde: tupakointi on kielletty asunnoissa, parvekkeilla ja yhteisissä tiloissa.
HEKA Laajasalo Gunillantie 3
- Osoite: Gunillantie 3, 00870 Helsinki
- Laajasalo 48, kortteli 49077 tontti 3
- Valmistumisvuosi: 2024
- Asuntopinta-ala 4 406 m2, liiketilaa 113 m2 ja varikkoa 525,5 m2.
- Hyötyala on 5044,5 m2. Bruttoala 7731 m2.
- Kiinteistön omistaja: Helsingin kaupunki, HEKA
- Rakennuttaja: Helsingin kaupungin kaupunkiympäristö, Asuntotuotanto, KYMP/ ATT
- Arkkitehtisuunnittelu: Kirsti Sivén & Asko Takala Arkkitehdit Oy/pääsuunnittelija ja arkkitehtisuunnittelusta vastaava arkkitehti Kirsti Sivén, projektiarkkitehdit Aino Born ja Kristiina Timonen
- Rakennesuunnittelu: Jonecon Oy / Jukka Kudjoi
- LVI-suunnittelu: Hepacon Oy
- LV-urakoitsijaksi: Krantec Oy
- Sähkösuunnittelu: Hepacon Oy
- Elementtisuunnittelu: JL-Rakenne Oy/ Jorma Lyhty ja Mikko Havuaho
- Pääurakoitsija: EKE-Rakennus Oy / työpäällikkö Jarmo Lievonen, vastaava työnjohtaja Esa Haavasoja
- Betonielementtitoimittaja, julkisivuelementit: Lahden Kestobetoni Oy
Heka Laajasalo Gunillantie 3 Betoni-lehdessä:
1/2026
Heka Laajasalo Gunillantie 3
Valmistumisvuosi: 2024
Arkkitehti: Kirsti Sivén & Asko Takala Arkkitehdit Oy
Rakennuttaja: Helsingin kaupungin Asuntotuotantotoimisto ATT
Elementtitoimittaja: Lahden Kestobetoni Oy
Gunillantie 300870, Helsinki, Suomi




























































